16 Mar,2026
Prevodové vs. lopatkové vs. piestové: Ktoré priemyselné hydraulické čerpadlo ponúka najlepšiu účinnosť?


Motory s vysokotlakovým, vysokorýchlostným pohonom a vyvažovacími ventilmi,
Je určený do podmienok vysokého zaťaženia
Je to ideálne riešenie pre 6 až 50-tonové hydraulické rýpadlo
Efektívny a kompaktný dizajn
Vysokotlaková technológia zvyšuje účinnosť hydraulického systému
Dvojrýchlostný motor s integrovaným vyvažovacím ventilom a poistným ventilom
Motor integruje funkciu hydraulického brzdenia
Rýchlosť je možné na požiadanie automaticky zmeniť
Nízka teplota, vysoká účinnosť
Rozsah prevádzkovej teploty: -20°C~80°C
Kompaktný dizajn
Nízkoobjemové vysokotlakové motory predlžujú životnosť dôležitých komponentov a zlepšujú celok
Trvanlivosť systému
Celomedená vložka pre hydraulické otáčanie piestu
Dvojitý kovový (meď/oceľ) distribučný zásobník
Kombinácia rotácie so špeciálnym pružinovým systémom zvyšuje životnosť motora
Trojitý tesniaci systém reduktora: mechanické labyrintové tesnenie, olejové tesnenie typu V, hlavné olejové tesnenie.
Hlavné olejové tesnenie je možné vymeniť bez demontáže reduktora
Ložiská reduktora sú nezávislé komponenty, ľahko sa inštalujú a môžu byť plne prednastavené na záporné zaťaženie
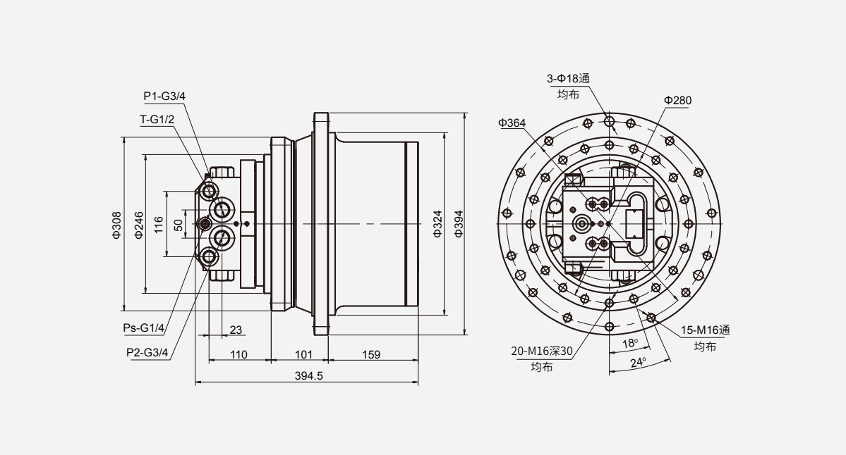
ITM01:
| Modálny | (l/min) | (ML/r) | (Mpa) | (Mpa) | Prevodový pomer | (N.m) | (ot./min) | Rotácia | (℃) | (mm2/s) |
| ITM01 | 20 | 6,31/12,56 | 25 | 2-7 | 36.96 | 1845 | 85,8/43 | obojsmerný | -20-80 | 16-25 |
| Modálny | (l/min) | (ML/r) | (Mpa) | (Mpa) | Prevodový pomer | (N.m) | (ot./min) | Rotácia | (℃) | (mm2/s) |
| ITM03 | 40 | 18. 12 | 21 | 2-7 | 45.2 | 2719 | 55/37 | obojsmerný | -20-80 | 16-25 |
ITM04:
| Modálny | (l/min) | (ML/r) Motor | (Mpa) | (Mpa) | Prevodový pomer | (N.m) | (ot./min) | Rotácia | (℃) oleja | (mm2/s) |
| ITM04 | 40 | 14.3/23.6 | 21 | 2-7 | 52.7 | 4200 | 55/33 | obojsmerný | -20-80 | 16-25 |
| Modálny | (l/min) Vstupný prietok | (ML/r) | (Mpa) | (Mpa) | Prevodový pomer | (N.m) | (ot./min) | Rotácia | (℃) | (mm2/s) |
| ITM06 | 50 | 19/34 | 24.5 | 2-7 | 47.53 | 6300 | 55/30 | obojsmerný | -20-80 | 16-25 |
| Modálny | (l/min) Vstupný prietok | (ML/r) | (Mpa) Pracovný tlak | (Mpa) | Prevodový pomer | (N.m) | (ot./min) | Rotácia | (℃) olej | (mm2/s) |
| ITM07 | 50 | 22/44 | 27.5 | 2-7 | 53.706 | 10500 | 50/25 | obojsmerný | -20-80 | 16-25 |
ITM09:
| Modálny | (l/min) | (ML/r) | (Mpa) | (Mpa) | Prevodový pomer | (N.m) | (ot./min) | Rotácia | (℃) | (mm2/s) |
| ITM09 | 80 | 34/53 | 30 | 2-7 | 53.7 | 11500 | 51/33 | obojsmerný | -20-80 | 16-25 |
| Modálny | (l/min) | (ML/r) | (Mpa) | (Mpa) | Prevodový pomer | (N.m) | (ot./min) | Rotácia | (℃) | (mm2/s) |
| ITM10 | 80 | 38/65 | 25 | 2-7 | 53.7 | 13000 | 51/33 | obojsmerný | -20-80 | 16-25 |
| Modálny | (l/min) | (ML/r) | (Mpa) | (Mpa) | Prevodový pomer | (N.m) | (ot./min) | Rotácia | (℃) | (mm2/s) |
| ITM18 | 130 | 43/67 | 30 | 2-7 | 53 | 16900 | 57/37 | obojsmerný | -20-80 | 16-25 |
| Modálny | (l/min) | (ML/r) | (Mpa) | (Mpa) | Prevodový pomer | (N.m) | (ot./min) | Rotácia | (℃) | (mm2/s) | Použiteľné modelov |
| ITM22 | 130 | 48/81 | 34.3 | 2-7 | 53.7 | 23700 | 50/30 | obojsmerný | -20-80 | 16-25 | 13-17 |
| Modálny | (L/min) | (ML/r) | (Mpa) | (Mpa) | Prevodový pomer | (N.m) | (ot./min) Teoretické | Rotácia | (℃) | (mm2/s) |
| ITM40 | 230 | 99/147 | 34.3 | 2-7 | 50.5 | 40546 | 50/32 | obojsmerný | -20-80 | 16-25 |
| Modálny | (L/min) | (ML/r) | (Mpa) | (Mpa) | Prevodový pomer | (N.m) | (ot./min) | Rotácia | (℃) | (mm2/s) |
| ITM60 | 330 | 195/120 | 34.3 | 2-7 | 63.84 | 67000 | 40/26 | obojsmerný | -20-80 | 16-25 |
Používatelia hlboko dôverujú produktom, ktoré poskytujú známe podniky.
Roky skúseností v odbore
Oblasť továrne
Šikovní zamestnanci
Pokročilá výrobná linka
INI Hydraulic Co., Ltd. špecializoval sa na navrhovanie a výrobu hydraulických krídel, hydraulických motorov a planetárnych prevodových skrinky viac ako dvadsať rokov. Sme jedným z profesionálnych dodávateľov príslušenstva stavebných strojov v Ázii. Nastaviť sa na optimalizáciu inteligentných dizajnov zariadení zákazníkov je naším spôsobom, ako udržať na trhu pevný život. V priebehu 26 rokov sme vyvinuli širokú škálu produktových línií založených na našich samorozvinutých technológiách, a to v dôsledku záväzku vždy inovácií na uspokojenie potrieb zákazníkov. Veľké spektrum výrobkov, ktoré sa približne korelujú, obsahuje hydraulické a elektrické krídla, planetárne prevodové skrinky, spínacie zariadenia, prevodové zariadenia, hydraulické motory, čerpadlá a hydraulické systémy.
Spoľahlivosť našich produktov bola silne preukázaná v rôznych aplikáciách, vrátane priemyselných strojov, stavebných strojov, lodných a palubných strojov, pobrežných zariadení, banských a hutníckych strojov.
Okrem toho bola kvalita našich produktov schválená viacerými celosvetovo uznávanými certifikačnými orgánmi. Certifikáty, ktoré naše produkty získali, zahŕňajú osvedčenie o typovej skúške EC, BV MODE, certifikát DNV GL, osvedčenie o zhode ES, osvedčenie o typovom schválení pre námorný produkt a zabezpečenie kvality registra Lloyd’s. Doteraz sme naše výrobky okrem Číny, nášho domáceho trhu, vo veľkom vyvážali do Spojených štátov, Nemecka, Holandska, Austrálie, Ruska, Turecka, Singapuru, Japonska, Južnej Kórey, Malajzie, Vietnamu, Indie a Iránu. Naše logistické a popredajné služby pokrývajú celý svet rýchlo a spoľahlivo pre hlboké záujmy našich zákazníkov.
16 Mar,2026
09 Mar,2026
02 Mar,2026
23 Feb,2026
16 Feb,2026
09 Feb,2026
02 Feb,2026
TOP