16 Mar,2026
Prevodové vs. lopatkové vs. piestové: Ktoré priemyselné hydraulické čerpadlo ponúka najlepšiu účinnosť?




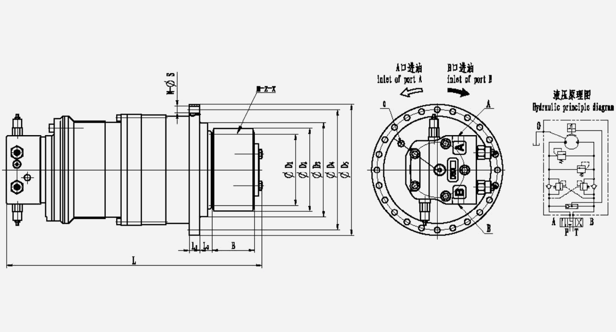
Hydraulické otočné pohony série IYH sú vyvinuté samostatne s nezávislými právami duševného vlastníctva. Pozostávajú najmä z hydromotorov, viackotúčových hydraulických bŕzd, planétových prevodoviek typu C a rozvádzačov. hydraulické motory môžu
| Sériový kód | Menovitý krútiaci moment | Hodnotená rýchlosť | Celkový posun | Pracovný tlak | Prietok prívodného oleja (MPa) | Model prevodovky | Parametre prevodovky | Celkové rozmery a špecifikácie olejového portu | ||||||||||||||||||
| M | Z | X | D0 | D1 | D2 | D3 | D4 | D5 | D6 | L1 | L2 | L3 | L4 | L5 | L | N | S | A, B | 0 | |||||||
| IYB22-A | 1500 až 3000 | 0-12 | 2857.5 | 6~11 | 40 | C22(i=22,86) | 6 | 13 | 0.5 | - | 78 | 96 | - | 65 | 200 | 188 | 16 | 50 | 70 | - | - | 476 | 12 | 13 | G3/4' | G1/2' |
| IYE22-B | 1500 až 3000 | 0-12 | 2857.5 | 6~11 | 40 | C22(i=22,80 | 8 | 11 | 0.5 | - | 88 | 10 | 130 | - | 200 | 188 | 16 | 50 | 88 | - | - | 506 | 12 | 13 | G3/4' | G1/2' |
| ITR22-C | 1500 až 3000 | 0~12 | 2857.5 | 6~11 | 40 | C22(i=22,86) | 8 | 12 | 0.5 | - | 96 | 118 | 130 | 65 | 200 | 188 | 16 | 50 | 61 | - | - | 467 | 12 | 13 | G3/4' | G1/2' |
| IYB22-D | 1500-3000 | 0-12 | 2857.5 | 6-11 | 40 | C22(i=22,86 | 8 | 13 | 0.5 | - | 104 | 26 | 30 | 165 | 200 | 88 | 16 | 50 | 70 | - | - | 476 | 12 | 13 | G3/4' | G1/2' |
| IYE22-B | 3500 až 5000 | 0~14 | 2683 | 10~14 | 44 | C22(i=26,83) | 6 | 17 | 0.5 | 50 | 102 | 119 | 150 | 190 | 220 | 185 | 16 | 43.5 | 60 | 19 | 18 | 488 | 8 | 14.5 | G3/4' | G1/2' |
| IYE21-D | 3500 až 5000 | 0-14 | 2683 | 10~14 | 44 | C22(i=26,83) | 8 | 1 | 0.5 | 50 | 881 | 110 | 150 | 190 | 220 | 185 | 16 | - | - | 19 | 18 | 500 | 8 | 14.5 | G3/4' | G1/2' |
| IYE22-C | 3500 až 5000 | 0~14 | 2683 | 10-14 | 44 | C22(i=26,83) | 8 | 13 | 0.5 | 50 | 104 | 26 | 150 | 190 | 220 | 185 | 16 | 43.5 | 80 | 19 | 18 | 508 | 8 | 14.5 | G3/4' | G1/2' |
| IYB22-O | 3500 až 5000 | 0-14 | 2683 | 10-14 | 44 | C22(i=26,83) | 10 | 11 | 0.5 | 50 | 110 | 40 | 50 | 90 | 220 | 85 | 16 | 43.5 | 80 | 19 | 8 | 50B | 8 | 4.5 | G3/4' | G1/2' |
| IYE33-A | 4000 až 6600 | 0-20 | 2325~3726 | 13~16 | 88 | C33(i=18,6) | 8 | 11 | 0.5 | - | 88 | 12 | 70 | 22 | 245 | 224 | 20 | 70 | 90 | - | - | 605 | 20 | 12.5 | G3/4' | G1/2' |
| IYE33-B | 4000 až 6600 | 0-20 | 2325~3726 | 13~16 | 88 | C33(i=18,6) | 8 | 5 | 0.5 | - | 120 | 44 | 170 | 22 | 245 | 224 | 20 | 70 | 90 | - | - | 605 | 20 | 12.5 | G3/4' | G1/2' |
| IYE33C | 4000 až 6600 | 0~20 | 2325~3726 | 13~16 | 88 | c33(i=18,6) | 10 | 12 | 0.5 | - | 120 | 149 | 70 | 22 | 245 | 224 | 20 | 70 | 90 | - | - | 605 | 20 | 12.5 | G3/4' | G1/2 |
| IYE33-D | 4000 až 6600 | 0-20 | 2325-3726 | 13~16 | 88 | C33(i=18,6) | 10 | 13 | 0.5 | - | 130 | 159 | 70 | 22 | 245 | 224 | 20 | 70 | 90 | - | - | 605 | 20 | 12.5 | G3/4' | G1/2' |
| IYE33-E | 7 000 až 12 000 | 0~12 | 5296~6620 | 12~16 | 92 | C33(i=33,1) | 10 | 13 | 0.5 | - | 130 | 60 | 200 | 250 | 280 | 280 | 20 | 41 | 90 | - | - | 655 | 24 | 3.5 | G3/4' | G1/2' |
| IYE33-F | 000-12000 | 0-12 | 5296~6620 | 12~16 | 92 | C33(i=33,1) | 10 | 15 | 0.5 | - | 150 | 180 | 200 | 250 | 280 | 280 | 20 | 41 | 100 | - | - | 655 | 24 | 13.5 | G3/4' | G1/2' |
| IYH33-G | 7 000 až 12 000 | 0-12 | 5296-6620 | 12-16 | 92 | C33(i=33,1) | 12 | 13 | 0.5 | - | 156 | 192 | 200 | 250 | 280 | 280 | 20 | 41 | 100 | - | - | 665 | 24 | 13.5 | G3/4' | G1/2' |
| Sériový kód | Menovitý krútiaci moment | Hodnotená rýchlosť | Celkový posun | Pracovný tlak (Mpe) | Prietok prívodného oleja (MPa) | Model prevodovky (pomer) | Parametre prevodovky | Celkové rozmery a špecifikácie olejového portu | ||||||||||||||||||
| M | Z | X | D0 | D1 | D2 | D3 | D4 | D5 | D6 | L1 | L2 | L3 | L4 | L5 | L | N | S | A, B | 0 | |||||||
| ITH22-I | 3500 až 5000 | 0~14 | 2683 | 10~14 | 44 | C22(i=26,83 | 6 | 13 | 0.5 | - | 78 | 96 | - | 65 | 200 | 188 | 16 | 5D | 70 | - | - | 476 | 12 | 13 | G3/4' | G1/2' |
| ITB22-J | 3500 až 5000 | D~14 | 2683 | 10-14 | 44 | C22(i=26,83 | 8 | 11 | 0.5 | - | 88 | 10 | 130 | - | 200 | 188 | 16 | 50 | 88 | - | - | 506 | 12 | 13 | G3/4' | G1/2' |
| IYB22-K | 3500 až 5000 | 0~14 | 2683 | 10~14 | 44 | C22(i=26,83) | 8 | 12 | 0.5 | - | 96 | 118 | 130 | 65 | 200 | 188 | 16 | 50 | 61 | - | - | 467 | 12 | 13 | G3/4' | G1/2' |
| Sériový kód | Menovitý krútiaci moment (N.m) | Hodnotená rýchlosť | Celkový posun | Pracovný tlak (Mpe) | Prietok prívodného oleja (MPa) | Parametre prevodovky | Celkové rozmery a špecifikácie olejového portu | ||||||||||||||
| M | Z | X | B | D1 | D2 | D3 | D4 | D5 | L1 | L2 | L | N | S | A.B | 0 | ||||||
| ITM2,5-A | 800-2000 | 0~120 | 430~1057 | 16 | 5/5,5/7 | 5 | 17 | 0.5 | 70 | 85 | 99.5 | 180 | 230 | 250 | 20 | 24 | 478 | 24 | 11 | M22*1,5 | G1/4 |
| ITH2,5-B | 800-2000 | 0-120 | 430-1057 | 16 | 5/5,5/7 | 6 | 17 | 0.5 | 60 | 102 | 118.8 | 180 | 230 | 250 | 20 | 24 | 468 | 24 | 11 | M22*1,5 | G1/4' |
| IYH2,5-C | 800-2000 | 0-120 | 430-1057 | 16 | 5/5,5/7 | 8 | 17 | 0.5 | 54 | 136 | 159.04 | 180 | 230 | 250 | 20 | 24 | 462 | 24 | 11 | M22*1,5 | G1/4 |
| IT12,5-D | 800-2000 | 0-120 | 430~1057 | 16 | 5/5,5/7 | 12 | 13 | 0.5 | 8D | 156 | 191.64 | 180 | 230 | 250 | 20 | 24 | 488 | 24 | 11 | M22*1,5 | G1/4' |
| IYH2,53-A | 3000-6500 | 0-32,5 | 1720-3320 | 16 | 20/28 |
| 17 | 0.5 | 60 | 102 | 118.8 | 250 | 290 | 320 | 20 | 75 | 565 | 16 | 17 | M22*1,5 | G1/4' |
| ITH2.53-B | 3000 až 6500 | 0~32,5 | 1720~3320 | 16 | 20/28 |
| 15 | 0.63 | 80 | 120 | 45.63 | 250 | 290 | 320 | 20 | 75 | 585 | 16 | 17 | M22*1,5 | G1/4' |
| ITH2,53-C | 3000 až 6500 | 0~32,5 | 1720-3320 | 16 | 20/28 | 10 | 13 | 0.5 | 85 | 130 | 160 | 250 | 290 | 320 | 20 | 15 | 590 | 16 | 17 | M22*1,5 | G1/4' |
| IYH3-A | 2600~5316 | 0-100 | 1344~2711,5 | 16 | 5/5,5/7 | 6 | 17 | 0.5 | 60 | 102 | 118.8 | 235 | 252 | 270 | 38 | 90.5 | 483 | 24 | 10.5 | M22*1,5 | G1/2' |
| IYH3-B | 2620~5316 | 0~100 | 1344~2711,5 | 16 | 5/5,5/7 |
| 15 | 0.5 | 60 | 120 | 143.24 | 235 | 252 | 270 | 38 | 90.5 | 483 | 24 | 10.5 | M22*1,5 | G1/2' |
| IYH3-C | 2600-5316 | 0-190 | 1344-2711,5 | 16 | 5/5,5/7 | 10 | 12 | 0.63 | 80 | 120 | 149 | 235 | 252 | 270 | 38 | 905 | 503 | 24 | 10.5 | M22*1,5 | G1/2' |
| IYH3-D | 2690~5316 | 0~100 | 1344~2711,5 | 16 | 5/5,5/7 | 12 | 15 | 0.65 | 90 | 180 | 416.39 | 235 | 252 | 270 | 38 | 90.5 | 513 | 24 | 10.5 | M22*1,5 | G1/2' |
| IYH4-A | 4873-10886 | 0~90 | 2430-5428,5 | 16 | 5/5,5/7 | 10 | 17 | 0.6 | 85 | 170 | 200.64 | 330 | 370 | 400 | 24.5 | 123 | 625 | 24 | 17 | M33*2 | G1/2' |
| IYH4-B | 4873-10886 | 0-90 | 2430~5428,5 | 16 | 5/5,5/7 | 12 | 13 | 0.5 | 100 | 156 | 191.5 | 330 | 370 | 400 | 24.5 | 123 | 640 | 24 | 11 | M33*2 | G1/2' |
| IYH4-C | 4873~10886 | 0~90 | 2430~5428,5 | 16 | 5/5,5/7 | 14 | 15 | 0.5 | 100 | 210 | 250.58 | 330 | 370 | 400 | 24.5 | 123 | 640 | 24 | 17 | M33*2 | G1/2' |
| IYH4-D | 4873-10386 | 0-90 | 2430-5428,5 | 16 | 5/5,5/7 | 16 | 12 | 0.5 | 100 | 192 | 238.4 | 330 | 370 | 400 | 24.5 | 123 | 640 | 24 | 17 | M33*2 | G1/2' |
| IYH5-A | 13195-22136 | 0-40 | 6580-11038,5 | 16 | 5/5,5/7 | 12 | 18 | 0.564 | 85 | 216 | 252.03 | 400 | 432 | 460 | 22 | 179 | 979 | 24 | 17 | φ50 | G1/2' |
| IYH5-B | 13195~22136 | 0~40 | 6580~11038,5 | 16 | 5/5,5/7 | 14 | 15 | 0.5 | 100 | 210 | 250.50 | 400 | 432 | 460 | 22 | 179 | 994 | 24 | 17 | φ50 | G1/2' |
| IYH5-C | 13195~22136 | 0~40 | 6580~11038,5 | 16 | 5/5,5/7 | 16 | 12 | 0.5 | 100 | 192 | 237.92 | 400 | 432 | 460 | 22 | 179 | 994 | 24 | 17 | φ50 | G1/2' |
| IYH6-A | 25197~33540 | 0-35 | 12565-16725,5 | 16 | 5/5,5/7 | 16 | 17 | 0.5 | 150 | 272 | 320 | 495 | 525 | 565 | 35 | 235 | 1215 | 24 | 21 | φ50 | G1/2' |
| IYH6-B | 25197-33540 | 0-35 | 12565-16725,5 | 16 | 5/5,5/7 | 20 | 15 | 0.5 | 160 | 300 | 359.6 | 495 | 525 | 565 | 35 | 235 | 1225 | 24 | 21 | φ50 | G1/2' |
| IYH34-A | 12 000 až 18 000 | 0-5,5 | 6622-11165 | 16 | 38.5 | 12 | 12 | 0.5 | 100 | 144 | 180 | 330 | 370 | 400 | 40 | 125.5 | 663 | 24 | 17 | M33*2 | G1/4' |
| IYH34-B | 12000-18000 | 0-5,5 | 6622-1116 | 16 | 38.5 | 14 | 14 | 0.5 | 100 | 196 | 236.6 | 330 | 370 | 400 | 40 | 125.5 | 663 | 24 | 17 | M33*2 | G1/4' |
| IYH45-A | 13 000 až 25 000 | 0-22 | 7028~13804 | 16 | 28 | 12 | 14 | 0.5 | 90 | 168 | 202.8 | 426 | 455 | 490 | 25 | 94 | 770 | 32 | 21 | M33*2 | G1/2' |
| IYH45-B | 13000-25000 | 0-22 | 7028-13804 | 16 | 28 | 14 | 15 | 0.5 | 100 | 210 | 250.58 | 426 | 455 | 490 | 25 | 94 | 780 | 32 | 21 | M33*2 | G1/2' |
| IYH45-C | 13 000 až 25 000 | 0-22 | 7028-13804 | 16 | 28 | 16 | 12 | 0,5 | 100 | 192 | 237.92 | 426 | 455 | 490 | 25 | 94 | 780 | 32 | 21 | M33*2 | G1/2' |
| IYH56-A | 32740~61406 | 0~11 | 16660-31248 | 16 | 28 | 16 | 17 | 0.5 | 150 | 272 | 320 | 510 | 545 | 580 | 30 | 351 | 995 | 30 | 21 | M33*2 | G1/2' |
| IYH56-B | 32740-61406 | 0-11 | 16660-31248 | 16 | 28 | 18 | 14 | 0.5 | 180 | 252 | 306.18 | 510 | 545 | 580 | 30 | 351 | 1025 | 30 | 21 | M33*2 | G1/2' |
| IYH56-C | 32740~61406 | 0-11 | 16660~31248 | 16 | 28 | 20 | 14 | 0.4 | 194 | 280 | 329.48 | 510 | 545 | 580 | 30 | 351 | 1039 | 30 | 21 | M33*2 | G1/2' |
| IYH67-A | 63000-90000 | 0-8 | 33180-45752 | 16 | 28 | 22 | 14 | 0.5 | 200 | 308 | 374 | 605 | 650 | 700 | 36 | 235 | 465 | 36 | 25 | M33*2 | G1/2' |
| IYH67-B | 63080~90000 | 0-8 | 33180~45752 | 16 | 28 | 20 | 13 | 0.5 | 180 | 260 | 320 | 605 | 650 | 700 | 36 | 235 | 445 | 36 | 25 | M33*2 | G1/2' |
| IYH67-C | 63 000 až 90 000 | 0-8 | 33180~45152 | 16 | 28 | 18 | 17 | 0.5 | 140 | 306 | 360 | 605 | 650 | 100 | 36 | 235 | 1405 | 36 | 25 | M33*2 | G1/2' |
| IYH67-D | 63000-9000 | 0-8 | 33180~45752 | 16 | 28 | 16 | 15 | 0.5 | 125 | 240 | 281.5 | 605 | 650 | 700 | 36 | 235 | 1390 | 36 | 25 | M33*2 | G1/2' |
| IYH67-E | 63 000 až 90 000 | 0-8 | 33180~45752 | 16 | 28 | 40 | 12 | 0.63 | 169 | 480 | 529.6 | 605 | 650 | 700 | 36 | 235 | 385 | 36 | 25 | M33*2 | G1/2' |
| IYH79-A | 110 000 ~ 160 000 | 0~10 | 55285~85148 | 16 | 22/28 | 22 | 14 | 0.5 | 200 | 308 | 374 | 760 | 810 | 850 | 40 | 449.5 | 157 | 36 | 25 | φ50 | G1/2' |
| IYH79-B | 110 000 ~ 160 000 | 0-10 | 55286~85148 | 16 | 22/28 | 20 | 13 | 0.5 | 180 | 260 | 320 | 760 | 10 | 850 | 40 | 449.5 | 155 | 36 | 25 | φ50 | G1/2' |
| IYH79-C | 110 000 ~ 160 000 | 0-10 | 55286-85148 | 16 | 22/28 | 18 | 17 | 0.5 | 140 | 306 | 360 | 760 | 810 | 850 | 40 | 449.5 | 1511 | 36 | 25 | φ50 | G1/2' |
| IYH79-D | 110 000 ~ 160 000 | 0-10 | 55286~85148 | 16 | 22/28 | 40 | 12 | 0.63 | 160 | 480 | 529.6 | 760 | 810 | 850 | 40 | 449.5 | 531 | 36 | 25 | φ50 | G1/2' |
Používatelia hlboko dôverujú produktom, ktoré poskytujú známe podniky.
Roky skúseností v odbore
Oblasť továrne
Šikovní zamestnanci
Pokročilá výrobná linka
INI Hydraulic Co., Ltd. špecializoval sa na navrhovanie a výrobu hydraulických krídel, hydraulických motorov a planetárnych prevodových skrinky viac ako dvadsať rokov. Sme jedným z profesionálnych dodávateľov príslušenstva stavebných strojov v Ázii. Nastaviť sa na optimalizáciu inteligentných dizajnov zariadení zákazníkov je naším spôsobom, ako udržať na trhu pevný život. V priebehu 26 rokov sme vyvinuli širokú škálu produktových línií založených na našich samorozvinutých technológiách, a to v dôsledku záväzku vždy inovácií na uspokojenie potrieb zákazníkov. Veľké spektrum výrobkov, ktoré sa približne korelujú, obsahuje hydraulické a elektrické krídla, planetárne prevodové skrinky, spínacie zariadenia, prevodové zariadenia, hydraulické motory, čerpadlá a hydraulické systémy.
Spoľahlivosť našich produktov bola silne preukázaná v rôznych aplikáciách, vrátane priemyselných strojov, stavebných strojov, lodných a palubných strojov, pobrežných zariadení, banských a hutníckych strojov.
Okrem toho bola kvalita našich produktov schválená viacerými celosvetovo uznávanými certifikačnými orgánmi. Certifikáty, ktoré naše produkty získali, zahŕňajú osvedčenie o typovej skúške EC, BV MODE, certifikát DNV GL, osvedčenie o zhode ES, osvedčenie o typovom schválení pre námorný produkt a zabezpečenie kvality registra Lloyd’s. Doteraz sme naše výrobky okrem Číny, nášho domáceho trhu, vo veľkom vyvážali do Spojených štátov, Nemecka, Holandska, Austrálie, Ruska, Turecka, Singapuru, Japonska, Južnej Kórey, Malajzie, Vietnamu, Indie a Iránu. Naše logistické a popredajné služby pokrývajú celý svet rýchlo a spoľahlivo pre hlboké záujmy našich zákazníkov.
16 Mar,2026
09 Mar,2026
02 Mar,2026
23 Feb,2026
16 Feb,2026
09 Feb,2026
02 Feb,2026
TOP