16 Mar,2026
Prevodové vs. lopatkové vs. piestové: Ktoré priemyselné hydraulické čerpadlo ponúka najlepšiu účinnosť?


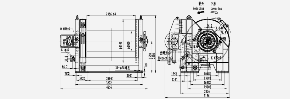
| Hodnotené plné na 1. vrstve (kN) | 1000 |
| Menovitá rýchlosť na 1. vrstve (m/min) | 7 |
| Celkový výtlak (ml/r) | 131500 |
| Systémový tlak (MPa) | 35 |
| Dif. tlak (MPa) | 32 |
| Priemer lana (mm) | 52 |
| Počet vrstiev lana | 9 |
| Kapacita bubna (m) | 1800 |
| Prietok čerpadla (l/min) | 300 |
| Typ motora | HL-A4FM500-01 |
| Typ prevodovky | IGC550W3-B263 (i=263) |
Používatelia hlboko dôverujú produktom, ktoré poskytujú známe podniky.
Roky skúseností v odbore
Oblasť továrne
Šikovní zamestnanci
Pokročilá výrobná linka
INI Hydraulic Co., Ltd. špecializoval sa na navrhovanie a výrobu hydraulických krídel, hydraulických motorov a planetárnych prevodových skrinky viac ako dvadsať rokov. Sme jedným z profesionálnych dodávateľov príslušenstva stavebných strojov v Ázii. Nastaviť sa na optimalizáciu inteligentných dizajnov zariadení zákazníkov je naším spôsobom, ako udržať na trhu pevný život. V priebehu 26 rokov sme vyvinuli širokú škálu produktových línií založených na našich samorozvinutých technológiách, a to v dôsledku záväzku vždy inovácií na uspokojenie potrieb zákazníkov. Veľké spektrum výrobkov, ktoré sa približne korelujú, obsahuje hydraulické a elektrické krídla, planetárne prevodové skrinky, spínacie zariadenia, prevodové zariadenia, hydraulické motory, čerpadlá a hydraulické systémy.
Spoľahlivosť našich produktov bola silne preukázaná v rôznych aplikáciách, vrátane priemyselných strojov, stavebných strojov, lodných a palubných strojov, pobrežných zariadení, banských a hutníckych strojov.
Okrem toho bola kvalita našich produktov schválená viacerými celosvetovo uznávanými certifikačnými orgánmi. Certifikáty, ktoré naše produkty získali, zahŕňajú osvedčenie o typovej skúške EC, BV MODE, certifikát DNV GL, osvedčenie o zhode ES, osvedčenie o typovom schválení pre námorný produkt a zabezpečenie kvality registra Lloyd’s. Doteraz sme naše výrobky okrem Číny, nášho domáceho trhu, vo veľkom vyvážali do Spojených štátov, Nemecka, Holandska, Austrálie, Ruska, Turecka, Singapuru, Japonska, Južnej Kórey, Malajzie, Vietnamu, Indie a Iránu. Naše logistické a popredajné služby pokrývajú celý svet rýchlo a spoľahlivo pre hlboké záujmy našich zákazníkov.
16 Mar,2026
09 Mar,2026
02 Mar,2026
23 Feb,2026
16 Feb,2026
09 Feb,2026
02 Feb,2026
TOP